Pneumatic shake devices
Pneumatic knocker with air tank
|
![]() |
| Pneumatic knocker could be used for bulk material release if the bulk material was sticked on the walls of tubes or filling hopper. Compared to ball vibrator, knocker can be used for materials which solidify by intensive shedding; in this case individual shakes are well-proven. Knocker should be controlled as well as double acting cylinder. The function is then given by the impulse effect when the pressure drop is created on the piston, the air before the piston is released and then the piston is fired against the wall of the knocker. Thanks to this principle the hammer does not require high demands on the flow of the distributor and the flow through the hoses. |
| Order codes | Technical data | Dimensions | Recommended connection | Data sheet (PDF) | Technical information |
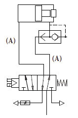
Reccommended connection
![]() |
The 5/2 valve is suitable for knocker control. Valve should be placed as closest to knocker as possible, but we recommend to fix it so that valve will be isolated to shocks from knocker. We recommend to use quick exhaust valve on exhaust (mounted parallel to knocker‘s axis to prevent from shocks) so as not to decrease impact intensity. It is suitable to use speed control silencer during piston return movement, to get possible to control of return speed of piston into home position to prevent chocks. | |
| Attention: knocker is designed for make shocks only by movement of piston towards to front cap with flange! Do not allow to make shocks during piston return movement in any case! It may be the cause of permanent damage of end cap of knocker!
(A) We recommend consulting the choice of length and diameter of the marked parts of the circuit with our technical department. |
||
Mounting examples
| Single knocker on filling hopper | Two knockers on filling hopper (edge distances should be different) |
Single knocker on tube |
![]() |
![]() |
![]() |








